WM06Z120-00550-00970-LS0000-51
Can't find what you're looking for? Go to the Product Selector
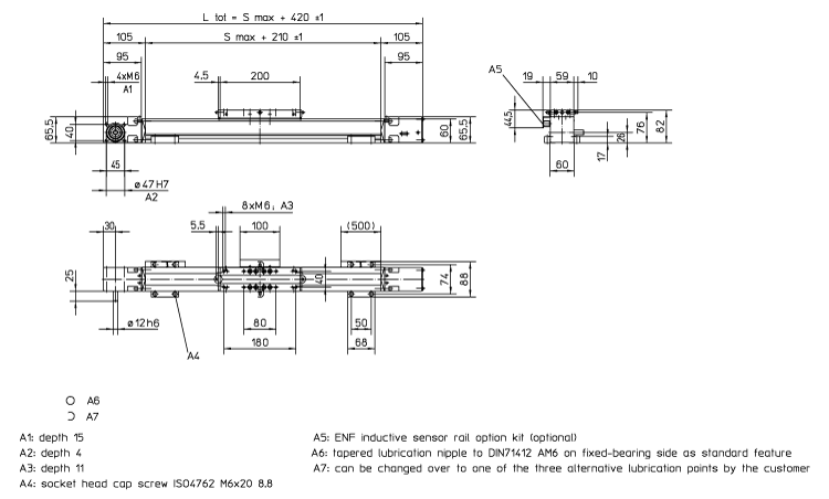
直線運動單元, WM60Z, 皮帶 Drive, 滾珠 Guide, 0.05 毫米 Repeatability, 550 毫米 Stroke, 970 毫米 Overall Length, 單短滑塊, 120 毫米 Travel Per Shaft Rev, Shaft On Both Sides Without Keyway, 2500 Maximum Linear Speed
- 取代
- 中央潤滑所有需潤滑零件
